H2B-VRGF
Download PDF Data Sheet1⁄4” Low Flow High Purity Gas Stick
Invatech Engineering’s High Purity Gas Sticks are built and tested to the highest industry standards and are the primary choice of Semiconductor device manufacturers worldwide.
All gas sticks are manufactured in a class 10 cleanroom, packaged, inventoried and available to ship worldwide.
All Invatech High Purity Gas Sticks are tested by a 3rd party onsite QA/QC group for particles, moisture and Helium leak rate. The sticks are dried down, filled with a purified inert gas to 20 psig, double bagged and packaged for inventory.
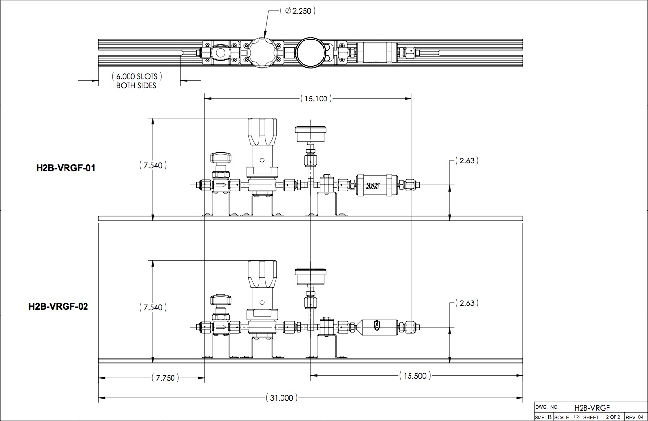
Invatech Gas Sticks are shipped on our low cost proprietary rail system that protects the gas stick from damage & makes for an easier installation.
All Invatech Gas Sticks are shipped with back mount gauges. This takes up considerably less space than lower mount gauges mounted to the side of the regulator.
Your gas stick will ship out of inventory with the confidence that your tool hook up will go off without a hitch.
Specifications
- Usage:Ultra High Purity Gas Stick
- Size: 1⁄4”
- Connections: 1⁄4” Male Face seal inlet & outlet
- Flow Range:0.01 to 2 scfm (0.28 to 56 lpm)
- Outlet Pressure: 40-100 psig
- Testing: UHP Test
Performance Specifications
- Leak rate: 1 x 10-9 atmospheric cc/sec Helium leak rate
- Particle: 3 consecutive samples < 10 particles (0.1 micron)/ft3 at 6 slpm N2 Moisture:10 ppb added to purified test gas moisture level AND < 100 ppb absolute.
- Regulator Test: +/- 5 psi at outlet with 20% increase at inlet.
- Packaging: Torque seal on mechanical connections, double bagged sealed 10mil clear poly bags, packaged into Invatech proprietary protective light weight packaging.
- Lot traceability: All Gas sticks are labeled with part number and serial number. Serial number traces all components to manufacturing date, actual scanned test strips, manufacturing assembler, QA/QC tester, who it was sold to and when.
| Letter | H | 2 | B | – | V | R | G | F |
|---|---|---|---|---|---|---|---|---|
| Digit | 1 | 2 | 3 | – | 4 | 5 | 6 | 7 |
| Digit | Description |
|---|---|
| 1 | Purity Level |
| 2 | Piping Size |
| 3 | Operating Range (Flow rate, Pressure) |
| 4 | Isolation Valve Type |
| 5 | Pressure Regulator Type |
| 6 | Pressure Indicator Type |
| 7 | POU Filter Type |



